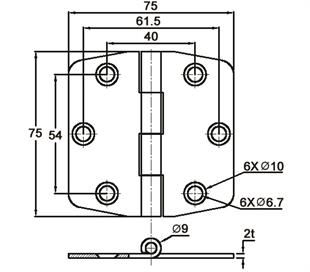
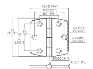
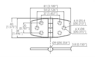
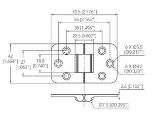
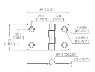
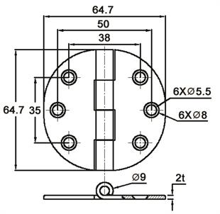
Krom Menteşe
3911658
$24.75 + VAT
cultureSettings.RegionId: 0 cultureSettings.LanguageCode: EN