Düşük profilli hatch
Düşük profilli hatch
Düşük profilli hatch
Düşük profilli hatch

Düşük profilli hatch tek açılım 206x349 (2014046)

Marka : MANSHİP
Fiyat : $624.17  + KDV
KDV Dahil : ₺33.656,24
TL Fiyat : ₺28.046,87(₺5.609,37 + KDV)

Adet

Artır Azalt
Düşük profilli hatch.
Gri akrilik cam. İçeriden ve/veya dışarıdan açılabilir. 180° açılabilme imkanı. 47 mm yükseklik. Tüm çerçeve ve menteşeler 316 paslanmaz çeliktir. Görünmeyen yüzeylerin paslanmazlığını sağlamak amacıyla elektro polisaj yapılmıştır. Tüm ağır şartlara dayanıklı neopren contası vardır.

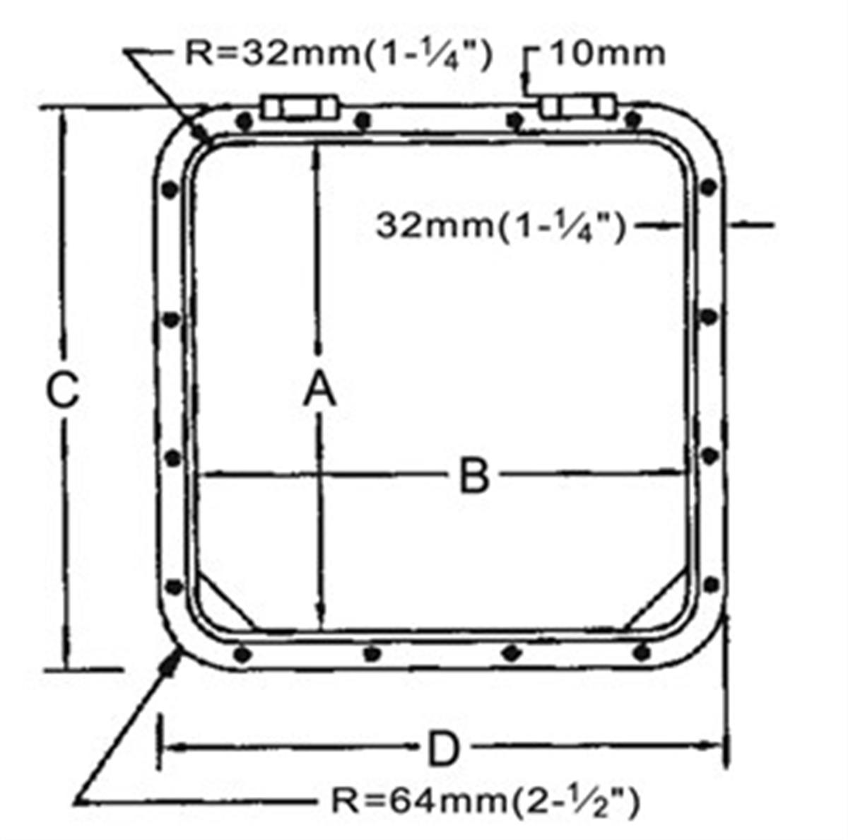
Montaj Ebadı B:349 mm
Ağırlık:4.4 kg
Ebat (mm):206x349
Dıştan Dışa Ebat C:270 mm
Montaj Ebadı A:206 mm
Dıştan Dışa Ebat D:413 mm
cultureSettings.RegionId: 0 cultureSettings.LanguageCode: TR