Düşük profilli hatch
Düşük profilli hatch
Düşük profilli hatch
Düşük profilli hatch

Düşük profilli hatch tek açılım 788x788 (2014040)

Marka : MANSHİP
Fiyat : $1,958.33  + KDV
KDV Dahil : ₺105.597,01
TL Fiyat : ₺87.997,51(₺17.599,50 + KDV)

Adet

Artır Azalt
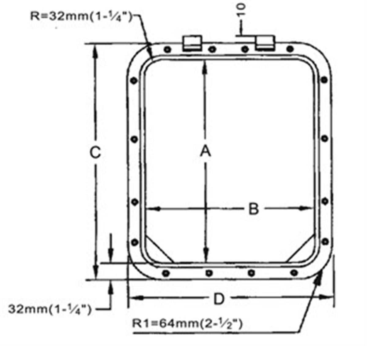
Düşük profilli hatch.
Gri akrilik cam. İçeriden açılımlı tip. 180° açılabilme imkanı. 32 mm yükseklik. Tüm çerçeve ve menteşeler 316 paslanmaz çeliktir. Görünmeyen yüzeylerin paslanmazlığını sağlamak amacıyla elektro polisaj yapılmıştır. Tüm ağır şartlara dayanıklı neopren contası vardır.

Ebat (mm):788x788
Dıştan Dışa Ebat C:852 mm
Montaj Ebadı A:788 mm
Dıştan Dışa Ebat D:852 mm
Montaj Ebadı B:788 mm
Ağırlık:19.2 kg
cultureSettings.RegionId: 0 cultureSettings.LanguageCode: TR